研发/生产/销售/售后一条龙服务


1.简介:
此款产品是内含高速高灵敏度PIN光电二极管和低功耗、高增益前置放大IC,采用环氧树脂封装加屏蔽抗干挠设计,该产品已经通过REACH和SGS认证属于环保产品,在红外遥控系统中作为接收器使用。
2.特性:
●环氧树脂封装加屏蔽抗干挠设计;
●宽工作电压,2.7-5.5V;低功耗、宽角度及长距离接收;
●抗干挠能力强,能抵挡环境干挠;输出匹配TTL、CMOS电平,低电平有效;
●芯片为COMS工艺,抗静电(HBM>200V MM>2000V).
3.应用:
■视听器材(音箱,电视,DVD,卫星接收机等);家庭电器(空调,电风扇,灯饰等);其它红外线遥控产品。
4.极限参数:
|
项目 |
符号 |
规格 |
单位 |
|
供应电压 |
VCC |
6.0 |
V |
|
工作温度 |
Topr |
-20 ~ +80 |
℃ |
|
储存温度 |
Tstg |
-40 ~+125 |
℃ |
|
*焊接温度 |
Tsol |
260±5(5S以内) |
℃ |
*焊接距离距产品胶体部2.5mm以上,非受力状态下的焊接温度
5.光电参数(T=25℃ Vcc=5.0v/3.0v);产品工作电压在2.7~5.5v:
|
参 数 |
符号 |
测试条件 |
Min |
Type |
Max |
单位 |
|
静态电流 |
Icc |
Vcc=5.0v |
0.1 |
0.3 |
0.5 |
mA |
|
Vcc=2.7v |
0.1 |
0.2 |
0.4 |
mA |
||
|
接收距离 |
L |
Vcc=5.0v※ |
15 |
18 |
|
m |
|
Vcc=2.7v※ |
15 |
18 |
|
m |
||
|
接收角度 |
θ1/2 |
EV=200±50LUX,距离衰减1/2 |
|
±45 |
|
Deg |
|
载波频率 |
fo |
|
|
37.9 |
|
kHz |
|
感应波长 |
λp |
|
|
940 |
|
nm |
|
BPF 宽度 |
fbw |
-3dB Vin=30μv p-p kHz |
|
5 |
|
kHz |
|
低电平输出 |
Vol |
Isink=2.0mA |
|
|
250 |
mV |
|
高电平输出 |
Voh |
Vcc=5.0v |
4.5 |
|
5.0 |
V |
|
Voh |
Vcc=2.7v |
2.2 |
|
2.7 |
V |
|
|
脉冲宽度 |
Tpw |
burst wave Vin=50mV p-p |
400 |
600 |
800 |
μS |
|
脉冲宽度 |
Tburst |
Vin=50mV p-p |
300 |
|
|
us |
|
间隔时间 |
Tburst gap |
Vin=50mV p-p |
350 |
|
|
us |
|
编码停顿时间 |
Tpause |
Vin=50mV p-p |
35 |
|
|
ms |
※ 工厂室内/无阳光直射产品接收窗口/前上方1米置40W整流日光灯(光强度为200±50Lux).
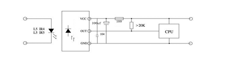
6.应用电路图:
7.原理图:
8.测试波型:
9.特性曲线图(Characteristics Curve)(Tamb=25℃ unless otheruise specified):
10.兼容编码列表:
Toshiba/NEC/Sharp/Matsushita/RC5_Philips/ RC6_Philips /SONY 12Bit.
|
项目 |
符号 |
Min |
Typ |
Max |
单位 |
|
工作电压 |
Vcc |
2.7 |
5.0 |
5.5 |
V |
|
输入频率 |
FM |
|
37.9 |
|
kHz |
|
工作温度 |
Topr |
-20 |
25 |
80 |
℃ |
11. 推荐使用条件:
12.可靠性测试:
|
测试项目 |
测试条件 |
测试时间 |
测试数 |
合格数 |
|
焊接耐热温度 |
温度260℃±5℃ (非受力状态下) |
5秒以内 |
20 |
20 |
|
静电破坏实验 |
电容100PF,电阻1.5kΩ, 静电电压4KV,各引脚 |
|
20 |
20 |
|
振动实验 |
频率:10-50Hz/1min 振幅:1.5mm X、Y、Z/30min |
30分钟 |
20 |
20 |
|
高温储存 |
温度85℃±3℃ |
240小时 |
20 |
20 |
|
低温储存 |
温度-25℃±3℃ |
240小时 |
20 |
20 |
|
高温高湿储存 |
温度85℃;湿度85% |
240小时 |
20 |
20 |
|
高低温循环 |
低温-25℃(30秒),高温85℃(30秒) |
10个循环 |
20 |
20 |
|
引脚弯曲 |
用2.5N的外力对每个引脚弯曲2次 |
|
20 |
20 |
14.包装方式:
![]()
1.简介:
此款产品是内含高速高灵敏度PIN光电二极管和低功耗、高增益前置放大IC,采用环氧树脂封装加屏蔽抗干挠设计,该产品已经通过REACH和SGS认证属于环保产品,在红外遥控系统中作为接收器使用。
2.特性:
●环氧树脂封装加屏蔽抗干挠设计;
●宽工作电压,2.7-5.5V;低功耗、宽角度及长距离接收;
●抗干挠能力强,能抵挡环境干挠;输出匹配TTL、CMOS电平,低电平有效;
●芯片为COMS工艺,抗静电(HBM>200V MM>2000V).
3.应用:
■视听器材(音箱,电视,DVD,卫星接收机等);家庭电器(空调,电风扇,灯饰等);其它红外线遥控产品。
4.极限参数:
|
项目 |
符号 |
规格 |
单位 |
|
供应电压 |
VCC |
6.0 |
V |
|
工作温度 |
Topr |
-20 ~ +80 |
℃ |
|
储存温度 |
Tstg |
-40 ~+125 |
℃ |
|
*焊接温度 |
Tsol |
260±5(5S以内) |
℃ |
*焊接距离距产品胶体部2.5mm以上,非受力状态下的焊接温度
5.光电参数(T=25℃ Vcc=5.0v/3.0v);产品工作电压在2.7~5.5v:
|
参 数 |
符号 |
测试条件 |
Min |
Type |
Max |
单位 |
|
静态电流 |
Icc |
Vcc=5.0v |
0.1 |
0.3 |
0.5 |
mA |
|
Vcc=2.7v |
0.1 |
0.2 |
0.4 |
mA |
||
|
接收距离 |
L |
Vcc=5.0v※ |
15 |
18 |
|
m |
|
Vcc=2.7v※ |
15 |
18 |
|
m |
||
|
接收角度 |
θ1/2 |
EV=200±50LUX,距离衰减1/2 |
|
±45 |
|
Deg |
|
载波频率 |
fo |
|
|
37.9 |
|
kHz |
|
感应波长 |
λp |
|
|
940 |
|
nm |
|
BPF 宽度 |
fbw |
-3dB Vin=30μv p-p kHz |
|
5 |
|
kHz |
|
低电平输出 |
Vol |
Isink=2.0mA |
|
|
250 |
mV |
|
高电平输出 |
Voh |
Vcc=5.0v |
4.5 |
|
5.0 |
V |
|
Voh |
Vcc=2.7v |
2.2 |
|
2.7 |
V |
|
|
脉冲宽度 |
Tpw |
burst wave Vin=50mV p-p |
400 |
600 |
800 |
μS |
|
脉冲宽度 |
Tburst |
Vin=50mV p-p |
300 |
|
|
us |
|
间隔时间 |
Tburst gap |
Vin=50mV p-p |
350 |
|
|
us |
|
编码停顿时间 |
Tpause |
Vin=50mV p-p |
35 |
|
|
ms |
※ 工厂室内/无阳光直射产品接收窗口/前上方1米置40W整流日光灯(光强度为200±50Lux).
6.应用电路图:
7.原理图:
8.测试波型:
9.特性曲线图(Characteristics Curve)(Tamb=25℃ unless otheruise specified):
10.兼容编码列表:
Toshiba/NEC/Sharp/Matsushita/RC5_Philips/ RC6_Philips /SONY 12Bit.
|
项目 |
符号 |
Min |
Typ |
Max |
单位 |
|
工作电压 |
Vcc |
2.7 |
5.0 |
5.5 |
V |
|
输入频率 |
FM |
|
37.9 |
|
kHz |
|
工作温度 |
Topr |
-20 |
25 |
80 |
℃ |
11. 推荐使用条件:
12.可靠性测试:
|
测试项目 |
测试条件 |
测试时间 |
测试数 |
合格数 |
|
焊接耐热温度 |
温度260℃±5℃ (非受力状态下) |
5秒以内 |
20 |
20 |
|
静电破坏实验 |
电容100PF,电阻1.5kΩ, 静电电压4KV,各引脚 |
|
20 |
20 |
|
振动实验 |
频率:10-50Hz/1min 振幅:1.5mm X、Y、Z/30min |
30分钟 |
20 |
20 |
|
高温储存 |
温度85℃±3℃ |
240小时 |
20 |
20 |
|
低温储存 |
温度-25℃±3℃ |
240小时 |
20 |
20 |
|
高温高湿储存 |
温度85℃;湿度85% |
240小时 |
20 |
20 |
|
高低温循环 |
低温-25℃(30秒),高温85℃(30秒) |
10个循环 |
20 |
20 |
|
引脚弯曲 |
用2.5N的外力对每个引脚弯曲2次 |
|
20 |
20 |
14.包装方式: